Name: A Biao
Tel: 0577-61568760
Phone:13506559954
WeChat:86+13506559954
Whatsapp:86+15381506128
Instagram:qichuangp
YouTube:qicuang@gmail.com
facebook:https://www.facebook.com/profile.php?id=100087300828460
twitter:@QichuangP
trademanager:qichuangpower
E-mail:qicuang@gmail.com
Add:2188 Liuhuang Road, Liushi Town, Yueqing City, Wenzhou City, Zhejiang Province
Whatsapp WeChat
Product Description
CMU6-C40 series power supply lightning protectors are designed according to lEC and GB standards and are suitable for the second level of power supply surge protection for power supply systems.

Dimensional schematic

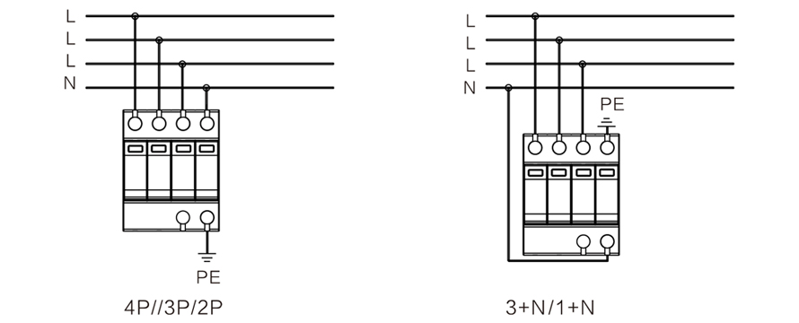
Wiring diagram

Installation instructions
First, please connect according to the installation diagram, where L1, L2, L3 is the phase line, N is the zero line, PE is the grounding line
Second, the installation must be cut off the power supply, strictly prohibit the operation with electricity, the connection of the wire must meet the requirements.
Third, after use should be regularly checked, such as lightning protection device failure, should be replaced in a timely manner.
Fourth, the lightning protection grounding should be in line with the requirements of lightning protection specifications, grounding wire as short as possible and grounding resistance should be less than 10Ω.
0577-61568760
86+15381506128
86+13506559954